
随着城市化进程的加快,交通拥堵问题日益严重。传统的交通信号灯控制系统已无法满足现代城市交通管理的需求。本文将探讨基于单片机的交通信号灯控制系统设计,旨在提高交通管理效率,缓解交通拥堵。


交通信号灯作为城市交通管理的重要手段,对保障交通安全、提高道路通行效率具有重要意义。传统的交通信号灯控制系统主要依靠人工调整,存在效率低、灵活性差等问题。而基于单片机的交通信号灯控制系统,通过智能化技术实现自动控制,具有以下优势:
提高交通管理效率
降低人工成本
适应性强,可根据实际交通流量调整信号灯配时

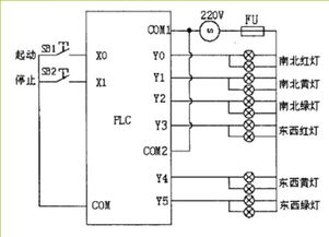
基于单片机的交通信号灯控制系统主要由以下几个部分组成:
单片机:作为系统的核心控制单元,负责处理各种信号和数据,控制信号灯的运行。
传感器:用于检测交通流量、车辆速度等信息,为单片机提供实时数据。
信号灯:包括红灯、绿灯、黄灯等,用于指示车辆和行人通行。
显示屏:用于显示交通流量、信号灯配时等信息。

基于单片机的交通信号灯控制系统工作原理如下:
传感器检测到交通流量信息,将数据传输给单片机。
单片机根据预设的算法和实时数据,计算出最佳信号灯配时。
单片机控制信号灯按照计算出的配时进行切换。
显示屏显示交通流量、信号灯配时等信息。

以下为基于单片机的交通信号灯控制系统实现步骤:
选择合适的单片机:如AT89C51、STC89C52等。
设计硬件电路:包括单片机、传感器、信号灯、显示屏等。
编写程序:包括初始化、数据采集、信号灯控制、显示等模块。
调试程序:确保系统稳定运行。

基于单片机的交通信号灯控制系统具有以下优势:
智能化:系统能够根据实时交通流量自动调整信号灯配时,提高通行效率。
灵活性:系统可根据实际需求调整信号灯配时,适应不同路段的交通状况。
稳定性:系统采用单片机作为核心控制单元,具有较好的稳定性和可靠性。

基于单片机的交通信号灯控制系统是智能化交通管理的未来趋势。通过采用先进的单片机技术和智能化算法,该系统能够有效提高交通管理效率,缓解交通拥堵,为城市交通发展提供有力支持。