
随着工业和民用建筑的快速发展,接地系统在电力系统中的重要性日益凸显。接地系统不仅能够保障电气设备的安全可靠运行,还能有效防止雷击、过电压等自然灾害对电力系统的破坏。本文将详细介绍接地系统的安装与制作方法,帮助读者了解这一重要的电力保障措施。

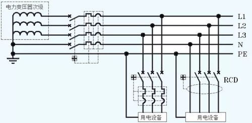
接地系统是指将电气设备的金属外壳、支架等与大地连接起来的一种电气保护措施。其主要作用包括:
降低电气设备的绝缘水平,提高设备的安全可靠性。
防止雷击、过电压等自然灾害对电力系统的破坏。
为电气设备提供稳定的零电位,保证电力系统的正常运行。

接地系统主要由以下几部分组成:
接地体:包括接地极、接地网等,用于将电气设备的金属外壳、支架等与大地连接。
接地线:连接接地体与电气设备的金属外壳、支架等。
接地装置:包括接地电阻、接地变压器等,用于降低接地电阻,提高接地效果。
根据接地系统的用途和特点,可以分为以下几类:
防雷接地:用于防止雷击对电力系统的破坏。
保护接地:用于降低电气设备的绝缘水平,提高设备的安全可靠性。
工作接地:用于为电气设备提供稳定的零电位,保证电力系统的正常运行。

接地系统的安装与制作方法如下:
1. 接地体的安装与制作
接地体主要包括接地极和接地网。接地极一般采用镀锌圆钢或扁钢,埋入地下深度不应小于2m。接地网可采用镀锌扁钢或圆钢,沿地面敷设,间距一般为5m左右。
2. 接地线的安装与制作
接地线应采用镀锌扁钢或圆钢,连接接地体与电气设备的金属外壳、支架等。连接时,焊接长度应不小于扁钢宽度的2倍,焊接处应焊接牢固、焊缝饱满,并采取防腐措施。
3. 接地装置的安装与制作
接地装置主要包括接地电阻和接地变压器。接地电阻用于降低接地电阻,提高接地效果。接地变压器用于将高压接地系统转换为低压接地系统,以满足不同电气设备的需求。

定期检测接地电阻,确保接地电阻符合要求。
检查接地线、接地体等部件是否存在腐蚀、损坏等情况,及时进行修复或更换。
定期检查接地装置的运行状态,确保接地装置正常工作。
接地系统在电力系统中具有重要作用,安装与制作接地系统是保障电力系统安全稳定运行的关键。本文详细介绍了接地系统的基本概念、组成、安装与制作方法以及检测与维护,希望对读者有所帮助。