爆气系统安装要求,爆气系统安装要求详解
创始人
2025-02-08 00:05:22
0

爆气系统安装要求详解

随着工业生产和技术的发展,爆气系统在许多行业中的应用越来越广泛。爆气系统主要用于提供压缩空气,以满足各种工业设备的需求。为了保证系统的正常运行和安全性,以下是对爆气系统安装要求的详细解析。

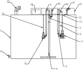
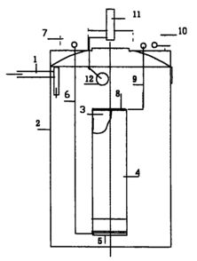
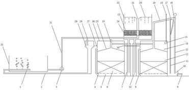
一、系统设计要求

1. 设计依据:爆气系统的设计应遵循国家相关标准和规范,如《压缩空气系统设计规范》等。

2. 气源选择:根据实际需求选择合适的气源,如空气压缩机、氮气发生器等。

3. 系统布局:合理规划系统布局,确保设备之间连接顺畅,便于维护和操作。

4. 安全防护:设计时应充分考虑安全防护措施,如设置安全阀、压力表、紧急停机装置等。

二、设备选型要求

1. 空气压缩机:选择合适的空气压缩机,考虑其排气量、压力、效率等因素。

2. 储气罐:根据系统需求选择合适的储气罐,如立式储气罐、卧式储气罐等。

3. 管道系统:选择合适的管道材质和规格,确保管道的耐压性和耐腐蚀性。

4. 阀门和附件:选用质量可靠的阀门和附件,如截止阀、调节阀、过滤器等。

三、安装施工要求

1. 施工准备:在施工前,应做好现场勘查、设备检查、材料准备等工作。

2. 设备安装:按照设备说明书进行安装,确保设备安装牢固、水平。

3. 管道安装:管道安装应遵循“先主管后支管”的原则,确保管道连接紧密、无泄漏。

4. 电气安装:电气设备安装应严格按照电气规范进行,确保电气安全。

四、调试与验收要求

1. 系统调试:在设备安装完成后,进行系统调试,确保系统运行正常。

2. 性能测试:对系统进行性能测试,如压力测试、流量测试等,确保系统满足设计要求。

3. 安全检查:对系统进行全面的安全检查,确保无安全隐患。

4. 验收手续:完成调试和检查后,办理验收手续,确保系统正式投入使用。

五、维护与保养要求

1. 定期检查:定期对系统进行检查,及时发现并处理问题。

2. 清洁保养:定期对设备进行清洁保养,延长设备使用寿命。

3. 更换备件:及时更换磨损或损坏的备件,确保系统正常运行。

4. 培训操作人员:对操作人员进行培训,提高其操作技能和安全意识。

通过以上对爆气系统安装要求的详细解析,我们可以看出,爆气系统的安装、调试、验收和维护保养是一个系统工程,需要严格按照相关规范和标准进行。只有这样,才能确保爆气系统的安全、稳定、高效运行。


相关内容

热门资讯

安卓换鸿蒙系统会卡吗,体验流畅... 最近手机圈可是热闹非凡呢!不少安卓用户都在议论纷纷,说鸿蒙系统要来啦!那么,安卓手机换上鸿蒙系统后,...
安卓系统拦截短信在哪,安卓系统... 你是不是也遇到了这种情况:手机里突然冒出了很多垃圾短信,烦不胜烦?别急,今天就来教你怎么在安卓系统里...
安卓系统要维护多久,安卓系统维... 你有没有想过,你的安卓手机里那个陪伴你度过了无数日夜的安卓系统,它究竟要陪伴你多久呢?这个问题,估计...
安装了Anaconda之后找不... 在安装Anaconda后,如果找不到Jupyter Notebook,可以尝试以下解决方法:检查环境...
app安卓系统登录不了,解锁登... 最近是不是你也遇到了这样的烦恼:手机里那个心爱的APP,突然就登录不上了?别急,让我来帮你一步步排查...
安卓系统如何卸载app,轻松掌... 手机里的App越来越多,是不是感觉内存不够用了?别急,今天就来教你怎么轻松卸载安卓系统里的App,让...
windows官网系统多少钱 Windows官网系统价格一览:了解正版Windows的购买成本Windows 11官方价格解析微软...
怎么复制照片安卓系统,操作步骤... 亲爱的手机控们,是不是有时候想把自己的手机照片分享给朋友,或者备份到电脑上呢?别急,今天就来教你怎么...
安卓系统应用怎么重装,安卓应用... 手机里的安卓应用突然罢工了,是不是让你头疼不已?别急,今天就来手把手教你如何重装安卓系统应用,让你的...
iwatch怎么连接安卓系统,... 你有没有想过,那款时尚又实用的iWatch,竟然只能和iPhone好上好?别急,今天就来给你揭秘,怎...